广州凌控自动化科技有限公司
客户至上 诚信经营 开拓创新 求实合作 因为专注 所以专业 不断完善 不断创新
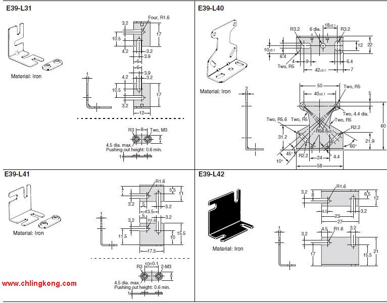
首 页 >> 产 品 >> 欧姆龙 >> 传感器 >> 光电传感器 >> 光电传感器外围设备 >> E39-L/E39-S/E39-R

E39-L/E39-S/E39-R

品牌: 欧姆龙
产品名称: 金属安装配件/狭缝/反射板
型号: E39-L/E39-S/E39-R
金属安装配件/狭缝/反射板

种类:标准距离型。
直流3线式/导线引出型(标准2m导线)。
形状:屏蔽,M12。
检测距离:2mm。
NPN输出。
动作模式 NO。
也可长距离检测铝、铁。
确保不检测铝切屑功能,实现了铝工件的长距离检测欧姆龙E39-L/E39-S/E39-R。
同时在铁上也实现了同样的检测距离,
在两种材质上该接近传感器能以离工件远检测距离实施检测E39-L/E39-S/E39-R
实现检测的可视化。
标准配备从所有方向都能看到的LED动作指示灯 。
不稳定状态就闪烁,因此可一目了然地判断设置状态的好坏。
可以埋入金属中。
在长距离型中,达到屏蔽特征。可以完全埋入金属中欧姆龙E39-L/E39-S/E39-R。
金属嵌入式安装。
光学系统:漫反射型。
检测距离:200正负50mm。
光束形状:线光束。
光束直径:900mm×100µm。
分辨率:5µm。
电缆长度:2m。尺寸:M12(黄铜),单倍距离型,屏蔽型。
检测距离:10mm。
连接方式:导线引出型(电缆长度有2m和5m两种)。
螺纹长度:长螺纹型欧姆龙E39-L/E39-S/E39-R。
输出类型:PNP。
动作模式NO。
树立新标准的经济型接近传感器。
作为接近传感器行业开拓者和的欧姆龙,
现在为您带来高性价比的全新E2B接近传感器。
本系列产品种类齐全,
旨在以合理的价格满足客户对传感器高品质和高可靠性的要求。
我们不仅就防护等级(IP67)的特定项目对产品进行了测试,
还考虑作业现场的环境条件对其进行了耐油雾测试欧姆龙金属安装配件/狭缝/反射板。
在油雾浓度较高的环境下实施了测试。FQ2-S3系列 [高分辨率机型]。
视野类型:中视野型。
像素数:76万像素。
彩色,PNP。
价格仍如以往的FQ系列维持不变,而检测菜单、相机种类、通信接口均已大幅扩展欧姆龙金属安装配件/狭缝/反射板。
备有适用于图像检测标准机的产品系列。
手掌大小的图像传感器
方便用于装置的狭窄空间或后装选装件的一体型紧凑尺寸。
与多台设备组合构成的高功能图像传感器相比,
可大幅提高硬件设计的效率欧姆龙金属安装配件/狭缝/反射板。
与装置相适应的各种产品系列。
图像传感器、OCR、读码器三合一
检测项目增加了“辞典内置型OCR”和“对应15种代码的读码器”,
处理能力大幅提升。可应用于各种场景。仅几秒钟的光轴组(接)合。
只需调出一个传感器的灵敏度,其他的传感器只要按照同一一标度调节(带旋钮的多旋转指示器)E39-L/E39-S/E39-R。
在白纸上光点清楚分明。欧姆龙E39-L/E39-S/E39-R。
扩散反射型中追加广(阔)视(野)型。
IP67的防水性能。
传感器易更换的接插件连接型。
作为出口机器可在全使用。
0.5ms的高速应答。
易输入可编程控制器的内置OFF延迟定时器型。




...更多相关型号 >>>>
相关型号