广州凌控自动化科技有限公司
客户至上 诚信经营 开拓创新 求实合作 因为专注 所以专业 不断完善 不断创新
首 页 >> 产 品 >> 欧姆龙 >> 传感器 >> 光电传感器 >> 光电传感器外围设备 >> 欧姆龙E39-L127-T2 欧姆龙E39-L127-T2

欧姆龙E39-L127-T2 欧姆龙E39-L127-T2

品牌: 欧姆龙
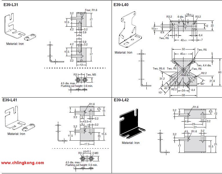
产品名称: 安装支架
型号: E39-L127-T2
支架材质:铁、 镀锌。
适用传感器(传感器侧安装孔距):E3C-S10。

防飞溅的氟树脂涂层型接近传感器。
拔群的耐喷溅性。
系列中增加了长距离型。长检测距离15mm。
直流2线式。
备有接插件中继型。
应差:检测距离的15%以下欧姆龙E39-L127-T2。
保护回路:浪涌吸收、负载短路保护。
电压的影响:在额定电源电压的正负15%范围内,额定电源电压时,测量距离的正负1%以内E39-L127-T2
冲击(耐久):1,000m/s2 X、Y、Z各方向 10回。
连接方式:导线引出型(标准导线长2m)、接插件中继型。两个方向配置了醒目的指示灯。
4种频率防止相互干扰。
检测方式:对射型。
连接方式:预配线连接器(0.3m)欧姆龙E39-L127-T2。
检测距离:红外发光二极300mm。
光轴间隙:25mm。
光轴数量:3。
检测幅度:50mm。
输出类型:PNP开路集电极。E3T-FT21 检测方式:对射型,
连接方式:导线引出型,
输出状态:入光时ON,
输出方式:NPN输出,
长距离光电传感器实现回归反射
型10m距离设定型2m尺寸:M8(不锈钢),两倍距离型,屏蔽型欧姆龙E39-L127-T2。
检测距离:2mm。
连接方式:导线引出型(电缆长度有2m和5m两种)。
螺纹长度:长螺纹型。
输出类型:NPN。
动作模式NC。
树立新标准的经济型接近传感器。
作为接近传感器行业开拓者和的欧姆龙,
现在为您带来高性价比的全新E2B接近传感器欧姆龙安装支架。
本系列产品种类齐全,
旨在以合理的价格满足客户对传感器高品质和高可靠性的要求。
我们不仅就防护等级(IP67)的特定项目对产品进行了测试,
还考虑作业现场的环境条件对其进行了耐油雾测试。
在油雾浓度较高的环境下实施了测试。具有更大的传感距离的安全安装。
尺寸:M30,屏蔽欧姆龙安装支架。
检测距离:15mm。
连接方式:导线引出型。
机身材料:黄铜。
螺纹长度(总长度):66(86)。
输出形式:PNP。
动作模式:NC。F160的开发表明了满足当今检测线要求的非凡的视觉传感器的来到欧姆龙安装支架。
它具有高速生产线要求的处理速度,
可使用存储卡,具有对应多产品生产线的能力。
根据检测要求可在宽广的范围内选择合适的像机,
面向客户可定制的界面和操作确保合适的现场可操作性。
基于界面友好的的对话菜单,
即使是无经验的操作员也能完成初步的设置,
使用新的算法使使检测表现大大提高欧姆龙E39-L127-T2E39-L127-T2。耐水性能优异的树脂外壳型接近开关。
符合IP68,出类拔萃的保护结构。
防止相互干扰(备有异频型)。
种类:屏蔽,M12。
检测距离:2mm。
输出形式:交流2线式。
动作模式:NO。


...更多相关型号 >>>>